A partida estrela triângulo é eficaz na redução do pico de corrente durante a partida do motor, reduzindo surtos de correntes nos sistemas elétricos.
Quando o assunto é partida de motores, você provavelmente pensa na partida estrela triângulo. Para muitas pessoas, este sistema e os diagramas criados a partir destes comandos podem ser complicados à primeira vista, mas, na verdade, não há mistério.
A partida estrela triângulo é uma das mais populares no mundo da elétrica e, como o próprio nome sugere, realiza uma partida do motor trifásico em um fechamento estrela e, após alguns segundos, a transição do sistema para o fechamento triângulo.
Vem com a gente para entender esse assunto!
Desvendando a partida estrela triângulo
Antes mesmo de entender a partida estrela triângulo, vamos falar um pouco sobre o conjunto de partidas indiretas.
Usualmente, um motor trifásico tem como característica um pico de corrente no momento de sua partida. Assim, as partidas indiretas são os sistemas de partida que possibilitam a redução da corrente.
Esse aumento pode chegar a ser cerca de oito vezes maior durante a partida, devido à inércia do motor. A elevação da corrente pode causar interferências eletromagnéticas no sistema e nos demais equipamentos ligados à rede. Para evitar que isso aconteça, existem alguns dispositivos que possibilitam que a partida do motor trifásico ocorra com uma tensão reduzida.
E é aí que entram as partidas com funcionamento estrela triângulo e todas as suas características funcionais! Agora, vamos descobrir por que esse é um dos sistemas mais presentes na rotina de profissionais da área elétrica.
Onde usar a partida estrela triângulo?
Resumidamente, a partida estrela triângulo é utilizada em motores elétricos trifásicos e funciona produzindo um fechamento em forma de estrela e, após alguns segundos do acionamento do motor, o sistema alterna para fechamento triângulo. Esse processo reduz a corrente elétrica no momento desta partida.
Portanto, a premissa básica é aplicar uma tensão menor, por exemplo, 220v (volts) em um fechamento estrela feito originalmente para 380v(rever) a tensão de alimentação não muda, o que muda é o fechamento das bobinas, hora em estrela e hora em triângulo.
Diferente das partidas diretas, a partida estrela triângulo usa de artifícios eletromecânicos para dividir a tensão em duas etapas, reduzindo consideravelmente a corrente de partida dos motores. Não à toa, o funcionamento em estrela triângulo é uma partida muito utilizada para motores acima de 7,5V por exemplo. Afinal há vantagens em possibilitar uma partida mais suave do motor, com uma redução de até 1/3 da corrente nominal e recebendo menor nível de tensão de alimentação no motor.
Mas atenção: esse tipo de fechamento só pode ser realizado quando o motor possuir em suas características construtivas no mínimo seis terminais de conexão. Os diagramas a seguir exemplificam isso.
Diagramas com fechamento estrela

O motor utilizado para este tipo de ligação tem a possibilidade de, no mínimo, dois tipos de fechamento de suas bobinas: o fechamento em estrela ou triângulo.
A grande vantagem na utilização deste sistema de partida é que, nesse caso, o circuito empregado irá permitir a redução da corrente de partida do motor elétrico trifásico. Isso resulta na redução da tensão de fase, ou seja, na tensão em cada uma das bobinas que compõem o motor e, consequentemente, na realização da partida em dois estágios.
Desta forma, o esquema elétrico desses fechamentos em motores terá, no mínimo, seis terminais e três conjuntos de bobinas. Confira nos desenhos, a seguir:
O fechamento do motor em estrela permite que os enrolamentos "enxerguem" uma tensão menor do que a tensão de linha, no caso, a tensão de fase, que pode ser 127V em sistemas 127/220V ou 220V em sistemas 220/380V.
Diagramas com fechamento triângulo

Os enrolamentos do motor "enxergam" a tensão de linha, que pode ser 220V em sistemas 127/220V ou 380V em sistemas 220/380V.
Etapas do fechamento estrela triângulo
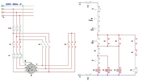
Como já vimos, o motor é alimentado em 220V e as bobinas dos contatores são energizadas. Esses contatores são responsáveis por fazer o fechamento em estrela triângulo. Vamos entender agora as principais fases desse processo:
Etapa 1: Inicialmente, é importante lembrar que para que isso ocorra de forma automática, precisaremos de três contatores para ligar o motor, aqui representados pelas siglas K1, K2 e K3. Um temporizador fará a comutação (troca) do contator que fecha o motor em estrela para o que fecha em triângulo.
Nesse caso, K1 é o contator que ficará sempre ligado energizando um lado das bobinas do motor. Já K2 e K3 são os contatores que se alternam entre o tipo de fechamento.
Na primeira etapa, o motor recebe a alimentação de 220v em seus terminais. Nesse momento, o motor está na configuração “fechamento estrela”, proporcionado conforme o diagrama de força abaixo:

Com isso, teremos também a redução do torque do motor. Ou seja, nesta configuração o motor atua somente com 1/3 da sua capacidade nominal.
Etapa 2: O motor não pode permanecer longos períodos funcionando com tensão reduzida e fechado em estrela. Por isso, alguns segundos depois, o primeiro contato com K3 é interrompido e o “funcionamento em triângulo” passa a ser configurado por meio dos contatores K1 e K2.
Esse pequeno tempo de contato varia de acordo com a aplicação do motor e são pré-estabelecidos por um temporizador elétrico, responsável por fazer a contagem do tempo, sempre respeitando as características construtivas do equipamento.
Observe que a redução da corrente de partida ocorre mediante a diminuição da tensão aplicada no motor, segundo a lei de Ohm. Com isso, temos a resposta do motor elétrico trifásico através da partida estrela triângulo.

Vantagens do uso da partida estrela triângulo
Entre os principais benefícios desse método em termos de redução de corrente de partida, estão a minimização de impactos na rede elétrica e a proteção do motor. Além disso, a partida estrela triângulo é financeiramente uma das mais viáveis, e por isso se torna muito utilizada quando o assunto são as partidas indiretas.
Como observamos, ela também permite:
- Baixo custo em relação à chave compensadora;
- Redução da corrente de partida para 33% da corrente nominal;
- Sistema sem limite máximo de manobras;
- Partida mais suave do motor, visto que o torque é 1/3 menor.
Lembre-se que tudo isso acontece porque, neste tipo de ligação, o motor recebe o menor nível de tensão de alimentação para o qual foi projetado!
Agora que você já entende como funciona a ligação estrela-triângulo e quando aplicá-la, conheça o Relé Temporizador Estrela-Triângulo RAS-14 da Soprano, desenvolvido para garantir precisão e confiabilidade na comutação entre as fases de partida e regime.
Confira o produto no site da Soprano e veja suas especificações técnicas completas.